Technical data

830_T-Stück_reduziert_Clina Form- und Verbindungsteile 830_T-piece 90_reduced_drawing_Clina fittings

 

Description

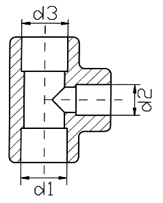
T-piece 90° reduced

for heating-element socket welding

Item No. 830.
Ø inside d1 25 to63 mm
Ø inside d2 20 to 50 mm
Ø inside d3 20 to 63 mm
Material/Colour PP-R/blue